| Sign In | Join Free | My benadorassociates.com |
|
Brand Name : Nihon Kohden
Model Number : TEC-7621C TEC-7721C
MOQ : 1
Payment Terms : T/T, Western Union,PayPal
Delivery Time : 3-5 working days
Product name : Nihon Kohden Defibrillator
Type : TEC-7621C TEC-7721C
Application : medical equipment,ICU,hospital device
Warranty : 90days
Mode of transport : Express delivery
Nominal Voltage : 110V—240v
Frequency : 50/60 Hz ~
Supported language : English,French,Hindi,Portuguese,Russian,Arabic,etc
Service : Professional technical team
Apply For : Hospital, Clinic, Hospital room, ICU, Sickroom, Ward, Bed-ward, Inpatient ward
Rated capacity : 2800mAh
NIHON KOHDEN Cardiolife TEC-7621C TEC-7721C Defibrillator HV capacitor Capacitance Model NKC-30100A
► Brief Introduction
TEC-7621/7631 series:
With fully charged new battery at 20°C ambient temperature
l Minimum 70 discharges at 360 J
l Minimum 150 minutes continuous monitoring
l Minimum 90 minutes fixed mode pacing (180 pulse/min, 200 mA)
With the fully charged new battery at 0°C, the defibrillator can perform:
l Minimum 50 discharges at 360 J
TEC-7721/7731 series:
With fully charged new battery at 20°C ambient temperature
l Minimum 100 discharges at 270 J
l Minimum 150 minutes continuous monitoring
l Minimum 90 minutes fixed mode pacing (180 pulse/min, 200 mA)
With the fully charged new battery at 0°C, the defibrillator can perform:
l Minimum 50 discharges at 270 J
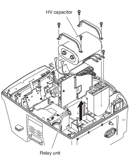
► Removing the HV Capacitor and Relay Unit
1. Remove the battery pack, memory card and lower casing.
2 Remove the AC/DC unit.
3. Remove the main chassis and main board.
4. Make short-circuit the two HV capacitor terminals with the short bar which is connected to the ground terminal on the wall with the ground lead.
5. Remove the four M3 pan screws with spring washers which secure the HV capacitor to the lower casing and remove the two HV capacitor fixing brackets.
6. Remove the cap of the CNP552 and CNP553 wires from the HV capacitor.
7. Remove the HV capacitor.
8. Remove the three wires which connect the HV inductor and relay unit from the HV inductor.
9. Pull out the relay unit.

After replacing the HV capacitor or relay unit, always check the following:
• TTR value
• Delivered energy
• Charge time

| Meaning | Possible Cause | Action |
| During standby mode, the HV capacitor have more than 1 J energy more than one continuous second. | Faulty relay unit | Discharge HV capacitor and replace the relay unit. |
| When charging is started, the HV capacitor energy did not reach 1 J within 2 seconds. | Faulty HV CAPACITOR | Replace the HV capacitor |
| After charging, the capacitor energy falls the specified value for each energy. | Faulty HV CAPACITOR | Replace the HV capacitor |
| HV capacitor's voltage did not reach its target value 20 seconds after adjusted internal discharge | Faulty relay unit | Replace the relay unit. |
► Delivery Issues
As a general rule, all the orders are going to be shipped within 3 to 5 working days and delivered on time. Of course sometimes there are some special circumstances. For instance, on busy days the shipment will be postponed. But no worries, all the orders will be dispatched finally. We will make great efforts to process the orders and ship them out as soon as possible. Please stay patient and keep in touch with us. If you need the product to be shipped urgently, please make sure you talk to us in advance before placing your orders. In order to make the deal runs successfully, please make it a point and manage your time of placing orders on the basis of your business needs. If you have any questions such as your order is taking much more time than expected or you need to know when will your order arrive, you can contact us at anytime. We will reply you as soon as possible. Your satisfaction is our biggest wish.
If you are interested in Hospital Medical Equipment Used NIHON KOHDEN Cardiolife TEC-7621C TEC-7721C Defibrillator HV capacitor Capacitance Model NKC-30100A , welcome to place your orders.
|
|
TEC-7621C TEC-7721C Defibrillator Machine Parts HV Capacitor Capacitance Model NKC-30100A Images |